专业机工不锈钢管
□ 气缸管等
□ 气缸
□ 液压缸
□ 液压站
□ 气阀等
□ 气动管接头

 

website↓
  返回首页 home
  公司简介 company
  产品介绍 products
  网上订单 order
  在线留言 Feedback
  联系我们 contact us
 
   
  ===产品介绍===
   

专业机工不锈钢管 气缸管等 气缸 液压缸 液压站 气阀等 气动管接头

>>> 气缸
 
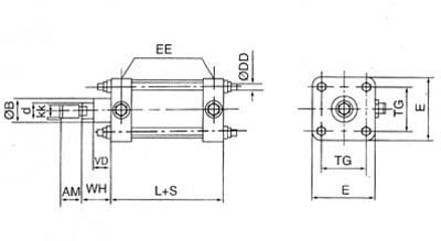
QGA系列双作用系列气缸
 
缸径
d
KK
AM
EE
ΦB
WH
VD
L
ΦDD
TG
E
32
12
M10×1.25
22
G1/8"
30
24
15
98
M6
35
50
40
16
M12×1.25
24
G1/4"
30
30
23
105
M6
42
55
50
20
M16×1.5
32
G1/4"
35
35
25
110
M6
48
65
63
20
M16×1.5

32

G3/8"
40
35
25
125
M8
58
80
80
25
M20×1.5
40
G1/2"
50
46
30
128
M10
75
100
100
25
M20×1.5
40
G1/2"
50
51
35
138
M10
90
120
125
32
M27×2
54
G1/2"
60
61
44
168
M12
110
140
160
45
M36×2
72
G3/4"
80
80
50
180
M16
142
180
200
45
M36×2
72
G3/4"
80
90
55
190
M20
180
220
250
50
M42×2
84
G1"
90
105
70
200
M20
215
280
20
63
M48×2
96
G1"
105
120
75
225
M24
205
350

↓JB系列气缸技术参数
 
 
 

copyright © qyyyqd.com All Rights Reserved
Http://www.qyyyqd.com E-mail:sales@qyyyqd.com
Tel:0510-85599880 Fax:0510-85596779